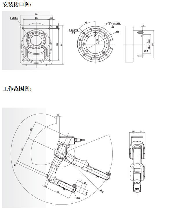
名称:PCB板机器人 说明: 机器人介绍及特点: CRP-RA09A-06(T3)主要是针对PCB板行业生产应用定制开发,应用在PCB板行业上下料工序,且为更好适应PCB行业市场,所推出轻巧、应用简单、高速、成本更低的机器人,以满足客户对机器人的需求。 特点: 1.2轴采用直连结构,有效提高精度; 2.电机、减速机采用花键连接,更好更稳定; 3.采用定制化结构,有效避开干涉,满足狭小空间应用; 4.结构紧凑,体积小; 5.重量轻,速度快 技术参数: 上一页:六轴轻型负载机器人 下一页:工业机器人搬运用途 [返回]